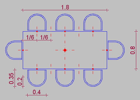
Disegnare le seguenti figure geometriche su layer opportuni.
Salvare su file esercizio3.dwg e spedire in formato ZIP all’indirizzo: cad@professionearchitetto.it
Specificare sull’oggetto dell’e-mail il numero dell’esercizio, ad esempio:
Esercitazione CAD: esercizio 3
N.B. Indicare il nome, cognome e n° di matricola dello studente anche sul disegno.
![]() |
|
|
Utilizzare i seguenti comandi: |
